Lawn King Ride On Mower Spares . Fix your castelgarden lawnmower at home yourself. If you are still having trouble, try using the search at the. find parts that fit a el63 ride on mower. buy genuine rover spare parts for ride on mowers & ride on accessories. We stock belts, blades, catchers, air filters & oils to keep your machine running smoothly. view all the spares that fit a castel / twincut / lawnking el63 ride on mower. view the manual for the rover lawn king 24/42 here, for free. Search by model or browse. castelgarden spare parts for castelgarden lawnmowers and garden machinery. Use our exploded view diagrams to easily identify the correct parts that fit your machine, or select from our list of popular. This manual comes under the category lawnmowers and has been rated by.
from www.flickr.com
view all the spares that fit a castel / twincut / lawnking el63 ride on mower. Search by model or browse. We stock belts, blades, catchers, air filters & oils to keep your machine running smoothly. Use our exploded view diagrams to easily identify the correct parts that fit your machine, or select from our list of popular. If you are still having trouble, try using the search at the. castelgarden spare parts for castelgarden lawnmowers and garden machinery. buy genuine rover spare parts for ride on mowers & ride on accessories. find parts that fit a el63 ride on mower. Fix your castelgarden lawnmower at home yourself. This manual comes under the category lawnmowers and has been rated by.
Ride King Lawn Mower Johnson County, Indiana Antique Machi… Flickr
Lawn King Ride On Mower Spares find parts that fit a el63 ride on mower. If you are still having trouble, try using the search at the. buy genuine rover spare parts for ride on mowers & ride on accessories. castelgarden spare parts for castelgarden lawnmowers and garden machinery. This manual comes under the category lawnmowers and has been rated by. We stock belts, blades, catchers, air filters & oils to keep your machine running smoothly. Fix your castelgarden lawnmower at home yourself. view all the spares that fit a castel / twincut / lawnking el63 ride on mower. view the manual for the rover lawn king 24/42 here, for free. find parts that fit a el63 ride on mower. Search by model or browse. Use our exploded view diagrams to easily identify the correct parts that fit your machine, or select from our list of popular.
From www.youtube.com
How to Replace a Deck Belt on a MTD Riding Lawn Tractor YouTube Lawn King Ride On Mower Spares castelgarden spare parts for castelgarden lawnmowers and garden machinery. buy genuine rover spare parts for ride on mowers & ride on accessories. view the manual for the rover lawn king 24/42 here, for free. Use our exploded view diagrams to easily identify the correct parts that fit your machine, or select from our list of popular. . Lawn King Ride On Mower Spares.
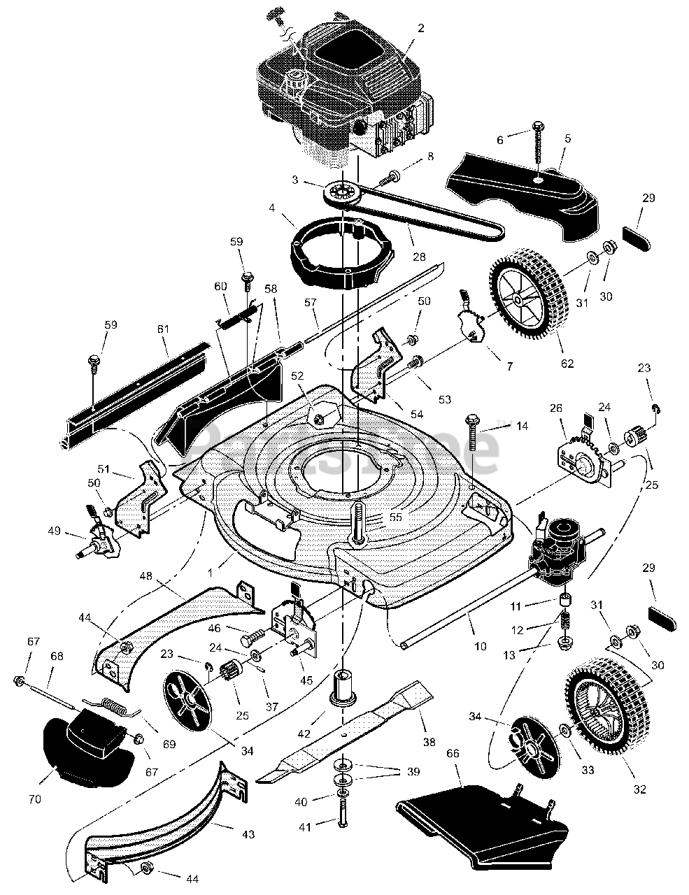
From www.partstree.com
Yard King 42575x81B Yard King 42" Lawn Tractor (2001) Drive Assembly Parts Lookup with Lawn King Ride On Mower Spares Use our exploded view diagrams to easily identify the correct parts that fit your machine, or select from our list of popular. find parts that fit a el63 ride on mower. view the manual for the rover lawn king 24/42 here, for free. Fix your castelgarden lawnmower at home yourself. If you are still having trouble, try using. Lawn King Ride On Mower Spares.
From mowersupastore.com.au
ROVER Lawn King I547/42 rideon mower The Mower Supastore Lawn King Ride On Mower Spares Use our exploded view diagrams to easily identify the correct parts that fit your machine, or select from our list of popular. find parts that fit a el63 ride on mower. This manual comes under the category lawnmowers and has been rated by. view the manual for the rover lawn king 24/42 here, for free. view all. Lawn King Ride On Mower Spares.
From edu.svet.gob.gt
Lawn King Ride On Mower Spares edu.svet.gob.gt Lawn King Ride On Mower Spares buy genuine rover spare parts for ride on mowers & ride on accessories. We stock belts, blades, catchers, air filters & oils to keep your machine running smoothly. castelgarden spare parts for castelgarden lawnmowers and garden machinery. view all the spares that fit a castel / twincut / lawnking el63 ride on mower. view the manual. Lawn King Ride On Mower Spares.
From guidemanualpurty.z21.web.core.windows.net
Mtd Ride On Lawn Mower Parts Lawn King Ride On Mower Spares We stock belts, blades, catchers, air filters & oils to keep your machine running smoothly. buy genuine rover spare parts for ride on mowers & ride on accessories. Search by model or browse. view the manual for the rover lawn king 24/42 here, for free. Fix your castelgarden lawnmower at home yourself. This manual comes under the category. Lawn King Ride On Mower Spares.
From www.rover.com.au
Ride On Mowers Parts & Accessories Rover Lawn King Ride On Mower Spares Use our exploded view diagrams to easily identify the correct parts that fit your machine, or select from our list of popular. This manual comes under the category lawnmowers and has been rated by. We stock belts, blades, catchers, air filters & oils to keep your machine running smoothly. Fix your castelgarden lawnmower at home yourself. buy genuine rover. Lawn King Ride On Mower Spares.
From www.pinterest.com
an assembly diagram for a lawn mower Lawn King Ride On Mower Spares castelgarden spare parts for castelgarden lawnmowers and garden machinery. Search by model or browse. We stock belts, blades, catchers, air filters & oils to keep your machine running smoothly. buy genuine rover spare parts for ride on mowers & ride on accessories. Fix your castelgarden lawnmower at home yourself. If you are still having trouble, try using the. Lawn King Ride On Mower Spares.
From www.partstree.com
Yard King 228610x89A Yard King 22" WalkBehind Mower (2002) Mower Housing Assembly Parts Lawn King Ride On Mower Spares view the manual for the rover lawn king 24/42 here, for free. Fix your castelgarden lawnmower at home yourself. buy genuine rover spare parts for ride on mowers & ride on accessories. Search by model or browse. If you are still having trouble, try using the search at the. castelgarden spare parts for castelgarden lawnmowers and garden. Lawn King Ride On Mower Spares.
From www.cheapmowers.com
LawnKing RE125 Lawntractor 36" Ride on Mower 703RT Lawn King Ride On Mower Spares Fix your castelgarden lawnmower at home yourself. find parts that fit a el63 ride on mower. Use our exploded view diagrams to easily identify the correct parts that fit your machine, or select from our list of popular. castelgarden spare parts for castelgarden lawnmowers and garden machinery. This manual comes under the category lawnmowers and has been rated. Lawn King Ride On Mower Spares.
From www.hendersonmowers.com.au
Rover Lawn King 21/42 RideOn Mower Henderson Mowers & Chainsaws Lawn King Ride On Mower Spares castelgarden spare parts for castelgarden lawnmowers and garden machinery. If you are still having trouble, try using the search at the. This manual comes under the category lawnmowers and has been rated by. Fix your castelgarden lawnmower at home yourself. view all the spares that fit a castel / twincut / lawnking el63 ride on mower. buy. Lawn King Ride On Mower Spares.
From www.hendersonmowers.com.au
Rover Lawn King 21/42 RideOn Mower Henderson Mowers & Chainsaws Lawn King Ride On Mower Spares find parts that fit a el63 ride on mower. Fix your castelgarden lawnmower at home yourself. castelgarden spare parts for castelgarden lawnmowers and garden machinery. view all the spares that fit a castel / twincut / lawnking el63 ride on mower. We stock belts, blades, catchers, air filters & oils to keep your machine running smoothly. Use. Lawn King Ride On Mower Spares.
From www.rover.com.au
Ride On Mowers Parts & Accessories Rover Lawn King Ride On Mower Spares Search by model or browse. Fix your castelgarden lawnmower at home yourself. find parts that fit a el63 ride on mower. castelgarden spare parts for castelgarden lawnmowers and garden machinery. This manual comes under the category lawnmowers and has been rated by. If you are still having trouble, try using the search at the. We stock belts, blades,. Lawn King Ride On Mower Spares.
From www.youtube.com
Rover Lawn King 2442 Ride on Lawn Mower YouTube Lawn King Ride On Mower Spares view the manual for the rover lawn king 24/42 here, for free. buy genuine rover spare parts for ride on mowers & ride on accessories. Search by model or browse. Use our exploded view diagrams to easily identify the correct parts that fit your machine, or select from our list of popular. view all the spares that. Lawn King Ride On Mower Spares.
From duanpalmgarden.com
Craftsman Riding Lawn Mower Parts Diagram The Garden Lawn King Ride On Mower Spares view the manual for the rover lawn king 24/42 here, for free. This manual comes under the category lawnmowers and has been rated by. buy genuine rover spare parts for ride on mowers & ride on accessories. find parts that fit a el63 ride on mower. view all the spares that fit a castel / twincut. Lawn King Ride On Mower Spares.
From v9306.1blu.de
ROVER MINI RIDER 382/30 HYDRO MOWER Capital Tools Lawn King Ride On Mower Spares view all the spares that fit a castel / twincut / lawnking el63 ride on mower. castelgarden spare parts for castelgarden lawnmowers and garden machinery. This manual comes under the category lawnmowers and has been rated by. Use our exploded view diagrams to easily identify the correct parts that fit your machine, or select from our list of. Lawn King Ride On Mower Spares.
From www.gumtree.com
Ride on lawn mower. Spares or repairs in Scunthorpe, Lincolnshire Gumtree Lawn King Ride On Mower Spares Use our exploded view diagrams to easily identify the correct parts that fit your machine, or select from our list of popular. This manual comes under the category lawnmowers and has been rated by. Fix your castelgarden lawnmower at home yourself. Search by model or browse. view the manual for the rover lawn king 24/42 here, for free. . Lawn King Ride On Mower Spares.
From www.lowes.com
Swisher Ride King 10.5HP VTwin Manual 32in ZeroTurn Lawn Mower (CARB) in the Gas Riding Lawn Lawn King Ride On Mower Spares If you are still having trouble, try using the search at the. find parts that fit a el63 ride on mower. Search by model or browse. buy genuine rover spare parts for ride on mowers & ride on accessories. view the manual for the rover lawn king 24/42 here, for free. Fix your castelgarden lawnmower at home. Lawn King Ride On Mower Spares.
From www.homedepot.com
MTD Genuine Factory Parts Original Equipment Deck Drive Belt for Select 42 in. Riding Lawn Lawn King Ride On Mower Spares Search by model or browse. Use our exploded view diagrams to easily identify the correct parts that fit your machine, or select from our list of popular. view all the spares that fit a castel / twincut / lawnking el63 ride on mower. buy genuine rover spare parts for ride on mowers & ride on accessories. find. Lawn King Ride On Mower Spares.